# Totale weerstand
De totale weerstand van een serieschakeling is gelijk aan de som van elke weerstandswaarde die in serie staat.
Wat wordt er van je verwacht?
- Je bepaalt de totale serieweerstand.
- Je legt uit waarom de serieweerstand verhoogt telkens je een weerstand in serie bijschakelt.
- Je past de formule voor serieweerstand toe.
# Toevoegen van een serieweerstand
Als bij een aantal weerstanden die in serie staan een weerstand wordt toegevoegd, stijgt de totale weerstandswaarde. Waarom? Iedere weerstand biedt een bepaalde weerstand aan de stroom. Voeg je een weerstand toe dan vergroot het verzet tegen de stroom. Hoe meer verzet er ontstaat tegen de stroom, hoe hoger de totale weerstandswaarde wordt.

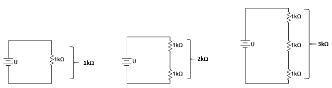
Figuur 4-6 : Hoe meer weerstanden in serie, hoe groter de totale weerstandswaarde
# Bepalen van de totale serieweerstand RT
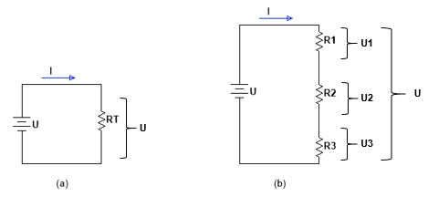
Beschouw figuur 4-7(b). Hierin staan drie weerstanden in serie. We willen deze schakeling vervangen door de schakeling van figuur 4-7(a) maar de totale weerstandswaarde moet hetzelfde blijven.

Figuur 4-7 : De totale weerstandswaarde in een serieschakeling is gelijk aan de som van de weerstanden in serie
Als de totale weerstandswaarde ${R}_{T} $ hetzelfde moet zijn als de totale weerstandswaarde van figuur 4-7(b), betekent dit dat de totale stroom in beide schakelingen even groot moet zijn. De stromen die door de drie weerstanden
Vervangen we de spanning door het product weerstand maal stroom dan verkrijgen we :
Vermits de stroom in beide schakelingen gelijk is kunnen we deze wegdelen en bekomen we :
Als er n weerstanden in serie staan is de totale serieweerstand van die schakeling gelijk aan :
# Serieschakeling van n gelijke weerstanden
In een serieschakeling die bestaat uit een aantal weerstanden met dezelfde weerstandswaarde kan de totale weerstandswaarde ook berekend worden door de weerstandswaarde van één weerstand te vermenigvuldigen met het aantal weerstanden in de serieschakeling.
In formulevorm :
Hierin is n het aantal weerstanden met dezelfde waarde in de serieschakeling.
# Test jezelf
De volgende weerstanden staan in serie : één van
twee van en één van Wat is de totale weerstandswaarde? Stel dat je beschikt over de volgende weerstanden :
en . Om een totale weerstandswaarde van** te bekomen heb je nog een weerstand nodig. Welk is zijn waarde?